For the results shown here the detonations are characterized by four parameters. First there is the amount of overdrive f, which is the sqaure of the fraction that the detonation velocity exceeds the Chapman-Jouguet (C-J) velocity (The C-J velocity is the minimum propagation velocity of a detonation in the mixture) . Second there are the chemical parameters: the heat release Q, and the activation energy E. The parameters are all dimensionless with respect to the preshock state.
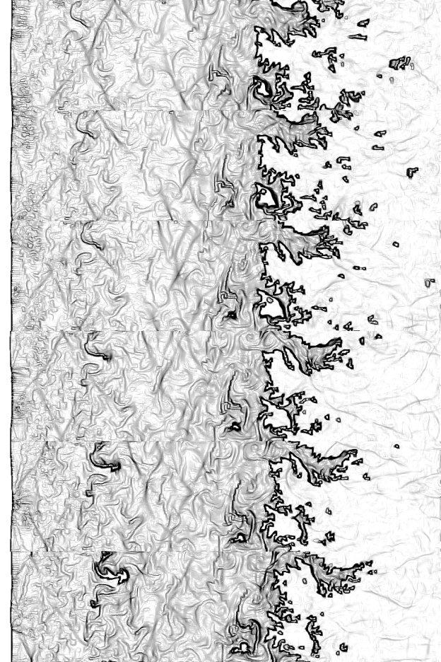
The figures below show snapshots of the flowfield behind several detonation waves. From top to bottom the variables are pressure, temperature, vorticity, and fuel concentration. The images were produced using a numerical schlieren procedure, in which the magnitude of the gradient is plotted using a grayscale colormap. The flow of the unburnt mixture enters from the left at supersonic velocity. Time is increasing from left to right.
This picture is for f=1.20, Q=50, E=10. This particular case has a periodic solution which is shown here.
This detonation has the parameters f=1.10, Q=2, E=20. The transverse shocks are much straighter than in the last picture, and flowfield is much more uniform.

The following picture has the same parameters as the first case shown above except the activation energy is now 50 instead of 10. You can see this well because the reaction zone is much thinner than in the above picture. The transverse waves are much more irregular also.


These final images show a sequence of snapshots of the pressure and temperature fields for f=1.05, Q=50, E=50. The snapshots start at the begining of the simulation where you can see the initial 2D perturbation. For this parameter set, the detonation is initially subjected to a longitudinal instability. The initial ZND wave separates into a shock and a rearward propagating contact discontinuity (flame if this were a viscous calculation). This type of behaviour is typical of failed detonations, and has been observed in many experimental studies. After some time has passed however, a small pocket of gas which has been essentially cooking turns into an explosion that reignites the detonation after it has been essentially dying. This type of behaviour is remniscent of the DDT process, and has also been observed experimentally before. In later stages, transverse waves develop.

Temperature
(JPEG, 152 Kb) (JPEG, 205 Kb)

Density
(JPEG, 167 Kb) (JPEG, 184 Kb) (JPEG, 185 Kb)
![]()
Back to my homepage.